Warehouse Overstock Promotion |  Save 10%  on Premium Lab Supplies |  Shop Now

Menu

This product has been added to the cart.

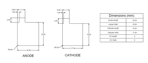
Customized Die Set (18.54*20.28 mm and 17.54*19.28mm) per customer drawing "ElectrodeDie2"for Glovebox Compatible Compact Pneumatic Battery Electrode Die Cutter (BR0247), Battery Equipment, Gelon, MSE Supplies

Customized Die Set (18.54*20.28 mm and 17.54*19.28mm) per customer drawing "ElectrodeDie2"for Glovebox Compatible Compact Pneumatic Battery Electrode Die Cutter (BR0247)

SKU: SOGE075

  • $ 86495
  • Save $ 10400


Request a Quote